单层石墨烯(进口) Single Layer Graphene
高比表面积石墨烯
制备方法:热剥离还原与氢化还原
BET比表面积(平方米/克):400~1000
电阻率(Ω∙cm)≤0.30
分散性:利用声波降解法可以在大多数的溶液中进行再分散
重量:500mg

SEM image of ACS Material's Single Layer Graphene

TEM image of ACS Material's Single Layer Graphene (1)

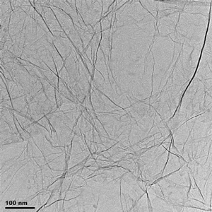
TEM image of ACS Material's Single Layer Graphene (2)
