详情
氮掺杂石墨烯粉末 Nitrogen-doped Graphene Powder
BET比表面积(平方米/克):500 ~ 700
电导率(S/m)> 1000(其特征在于在0.3g/cm3的密度)
层数:1-5层的原子层的石墨烯薄片
横向尺寸(um):0.5~5
氮(%):3.0-5.0
氧(%):7.0-7.5

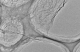
SEM Image of ACS Material N-doped Graphene

TEM Image (1) of ACS Material N-doped Graphene

TEM Image (2) of ACS Material N-doped Graphene

HRTEM Image of ACS Material N-doped Graphene

STEM Image of ACS Material N-doped Graphene

XPS Image of ACS Material N-doped Graphene
Update Required
To play the media you will need to either update your browser to a recent version or update your Flash plugin.






陈谷一